SCARA Robot Sim - Twincat 3, Python 3, CoppeliaSim(V-Rep)
-
Updated
Jan 1, 2023 - Python
SCARA Robot Sim - Twincat 3, Python 3, CoppeliaSim(V-Rep)
Development of a Scara Robot using ROS Noetic and Gazebo (Foundations of Robotics course assignment)
A Simulation Model for trajectory Planning in MATLAB and Simulink to generate desired trajectory and joint torques using Inverse Dynamic Control aproach.
Adaptive neural network control for 6-DOF SCARA with guaranteed finite-time convergence
Second version of my plotter, this time 3D printed
This project simulates a robotic system for separating different types of oranges using two SCARA robots and a conveyor belt in the Gazebo 3D robot simulator
A SCARA topoology robotic arm
This repository contains the source code and documentation for a 6-DOF robot control system. The system is designed to control a robotic arm with six degrees of freedom, providing precise and versatile motion capabilities. This project is aimed at robotics enthusiasts, researchers, and developers interested in building and experimenting with 6-DOF.
Robotech Scara Robot Repository
Identificazione, Controllo, Simulazione di un robot SCARA con smorzatori e molle
Dynamic Modeling and Control of a 5-DoF SCARA Robot using MATLAB and ROS2
Dual SCARA Robot Arm project: a open-source platform for advanced kinematics in pick-and-place robotics.
Automated egg box filler using computer vision and a robotic arm. Final project for Robotics 2 course.
SCARA Robot Simulator Using ROS 2 and Gazebo
4 Degree of Freedom Robot Programming (In Progress)
RLScara Project by Abul Al Arabi and Henry Ruiz
This repository contains MATLAB/Simulink simulations for implementing second-order algorithms for kinematic inversion with Jacobian inverse and Jacobian pseudo-inverse, along with obstacle avoidance in operational space.
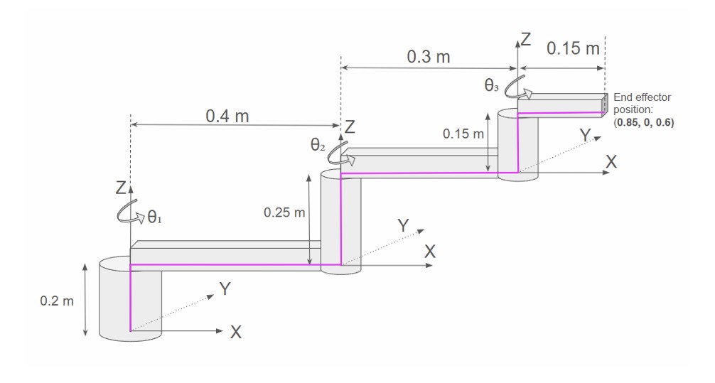
This repository features a kinematic analysis of a 3-DOF SCARA robot. It includes DH parameter derivation, forward and inverse kinematics solvers in MATLAB, and trajectory tracking simulations in Simulink. The project demonstrates a complete workflow from mathematical modeling to following a square trajectory in a 3D workspace.
Add a description, image, and links to the scara-robot topic page so that developers can more easily learn about it.
To associate your repository with the scara-robot topic, visit your repo's landing page and select "manage topics."